SF系列泵是我公司自行研制的不銹鋼離心式耐腐蝕微型電泵,泵的葉輪采用半開 式式結構形式,由于產品集優良結構、性能、造型于一身,兼過流零部件及連接 架 采用優質不銹鋼材料制造,兩系列產品具有耐腐蝕性能可靠,使用維護方便、結構緊湊、能耗低、密封性好等一系列優點。
該系列可銀河國際Galaxy溫度不高于103℃,含有細小軟顆;螄宋,帶腐蝕性或有衛生要求的液體,廣泛適用于食品、飲料、醫藥、污水處理、銀河國際Galaxy、電鍍、漂染、精細銀河國際Galaxy等行業使用。
葉輪采取半開式結構
轉子軸全部采用摩擦焊接工藝316接軸
電機采用高溫線、F級絕緣等級,耐高溫≤100°
有硅溶膠和覆膜砂兩種銀河國際Galaxy工藝,可根據自身 需求選擇
| 序號 | 型號 Modle | 流量 (m³/h) |
揚程 (m) |
功率 (kW) |
電壓 (V) |
口徑 (mm) |
轉速 (r/min) |
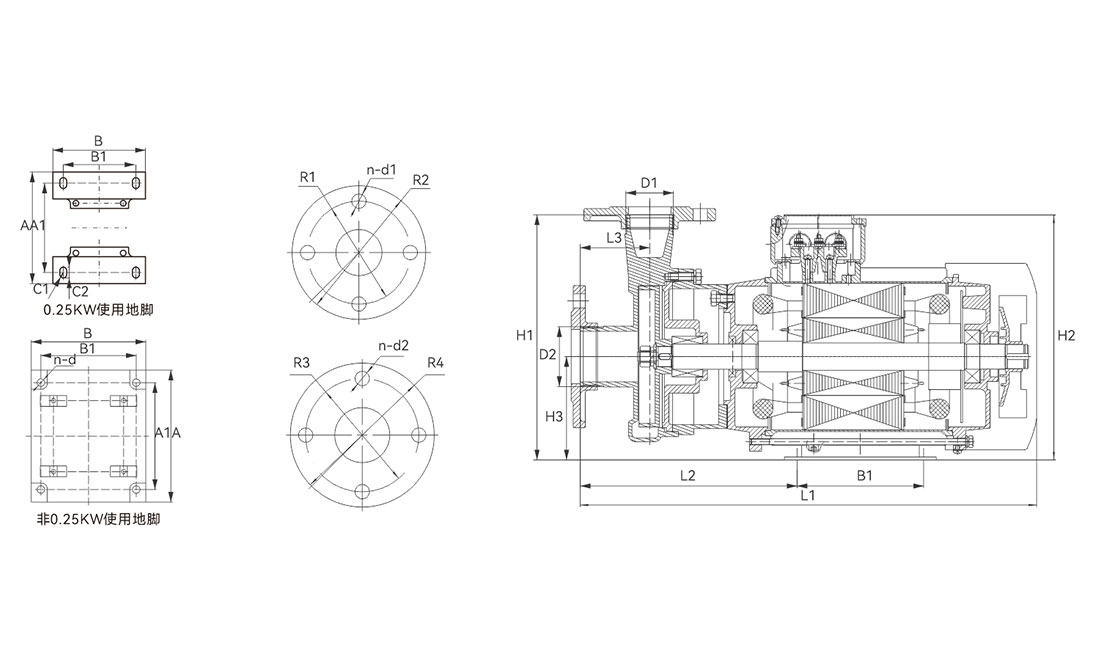
H1 | H2 | H3 | L1 | L2 | L3 | D1 | D2 | A | A1 | B | B1 | C1 | C2 | R1 | R2 | R3 | R4 | n-d | n-d1 | n-d2 |
| 1 | 25SF2-10-0.25(D) | 2 | 10 | 0.25 | 220/380 | 25 | 2860 | 160 | 188 | 69 | 302 | 143 | 38 | G3/4 | G1 | 125 | 99.5 | 101 | 80 | R3.5 | 11 | 75 | 105 | 85 | 115 | / | 4-Φ14 | 4-Φ14 |
| 2 | 40SF3-14-0.55(D) | 3 | 14 | 0.55 | 220/380 | 40 | 2860 | 191 | 207 | 81 | 361 | 164 | 49 | G1 | G1 | 130 | 90 | 135 | 112 | / | / | 85 | 115 | 110 | 145 | 4-Φ7 | 4-Φ14 | 4-Φ18 |
| 3 | 40SF3-16-0.75(D) | 3 | 16 | 0.75 | 220/380 | 40 | 2860 | 191 | 207 | 81 | 361 | 164 | 49 | G1 | G11/2 | 130 | 90 | 135 | 112 | / | / | 85 | 115 | 110 | 145 | 4-Φ7 | 4-Φ14 | 4-Φ18 |
| 4 | 50SF6-18-1.1(D) | 6 | 18 | 1.1 | 220/380 | 50 | 2860 | 191 | 241 | 95 | 428 | 202 | 63 | G11/2 | G2 | 173 | 140 | 150 | 125 | / | / | 85 | 145 | 125 | 160 | 4-Φ10 | 4-Φ18 | 4-Φ18 |
| 5 | 50SF6-20-1.5(D) | 6 | 20 | 1.5 | 220/380 | 50 | 2860 | 228 | 241 | 95 | 428 | 202 | 63 | G11/2 | G2 | 173 | 140 | 150 | 125 | / | / | 110 | 145 | 125 | 160 | 4-Φ10 | 4-Φ18 | 4-Φ18 |
| 6 | 50SF15-18-2.2(D) | 15 | 18 | 2.2 | 220/380? | 50 | 2860 | 228 | 228 | 102 | 452 | 214 | 68 | G11/2 | G2 | 173 | 140 | 150 | 125 | / | / | 110 | 145 | 125 | 160 | 4-Φ10 | 4-Φ18 | 4-Φ18 |
| 7 | 50SF15-20-3 | 15 | 20 | 3 | 380 | 50 | 2900 | 242 | 242 | 102 | 452 | 214 | 68 | G11/2 | G2 | 173 | 140 | 150 | 125 | / | / | 110 | 145 | 125 | 160 | 4-Φ10 | 4-Φ18 | 4-Φ18 |

